1. 半桥触发电路
为了使自激式半桥逆变电路正常工作,我们需要在开机时给半桥电路提供一个触发信号,完成这一任务的电路称为触发电路。
半桥触发电路通常分为偏置电压触发和脉冲电压触发两种形式,触发信号都是注入晶体管基极来完成的。
1.1脉冲电压触发电路
图1-1 图1-2
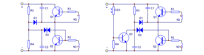
图1-1是典型的脉冲电压触发电路,开机后,电源经R3对C2充电,当C2的端电压升高到触发二极管D2的击穿电压后,D2导通,C2的放电电流注入Q2的基极,Q2由于基极正偏而导通,自激电路开始工作。
Q2导通后,C2上积存的剩余电荷经D1放掉,此后C2会重新开始充电。由于R3、C2的充电时间常数很大,而Q1、Q1的开关频率很高,所以C2上的电压不会再次升高到能击穿D2的数值,避免了Q1导通期间发生Q1被错误触发导通的开关共通危险。
在某些电路设计中,会在触发二极管上串联一只小阻值的电阻器,如图1-2,目的是限制C1的放电电流,避免D2、Q2被大电流损坏。
图1-3 图1-4
在图1-3中,电阻R3、R4分压后限制了C2上的最高电压,在电源电压异常升高或负载不工作等情形下,C2上的电压不会偏离正常值太多,起到充电保护的作用。另外,这种触发电路也在很多节能灯上应用,因为一些墙壁开关带有氖泡指示,在开关断开时仍然有电流供给节能灯,触发电容上的电荷会逐渐升高,而R3、R4的分压限制了这个电压值不会升高到触发管的转折电压,避免半桥起振后引起的灯管闪烁现象。
图1-4是一种光控触发电路,在白天时,CDS受光线照射呈低阻状态,Q3导通,D2无法获得击穿电压,半桥电路不工作。在夜晚时,CDS呈高阻状态,Q3截止,C2上的充电电压击穿D2后使半桥电路起振工作。采用这种电路的镇流器用在站台、广告栏等照明场合,可以实现夜晚自动点亮灯管的功能。
1.2 单次脉冲触发电路
防止两只三极管同时导通而烧毁电路的方法,除了对充电电容C2进行快速放电外,还可以采用单次触发电路来解决。
图1-4 图1-5
在图1-4中,C2触发电路开始工作后,Q3导通,切断C2的充电回路,确保Q2不会被再次触发,避免了三极管共通的发生。
图1-5是一种常用的单次脉冲触发电路,由于电容C3的存在,开机时的大电流触发Q2导通,一旦电路振荡开始,C2上的低电压将不能再次击穿D2,电路得以安全运行。
1.3电阻偏置触发电路
图1-6
电阻偏置触发电路没有使用充电电容和触发二极管, 而是由电源给三极管提供偏置电压来启动,电路结构简单,成本较低。
在左图中,电源经R3、R4加到三极管Q2的基极,开机后Q2迅速达到饱和导通,经磁环变压器的反馈作用,振荡电路开始工作。
采用偏置电压触发的半桥电路,需要在三极管的基极回路串入电容器用来隔离直流分量,以保证电路顺利启动并可靠工作。不过,由于这个电容的存在使电路的调试变得复杂,整机的高温可靠性也受到影响。所以,这种触发方式通常在一些低成本节能灯中应用。
2. 半桥电路的驱动
众所周知,电子镇流器半桥逆变电路极为重要,它直接关系到整机的工作频率、开关损耗、转换效率、输出功率;同时对EMC、THD、PF等主要技术指标也有一定影响。目前比较实用的技术方案是双极型晶体管作半桥联接,由磁环构成脉冲变压器反馈产生自激振荡,输出高频脉冲电流供荧光灯管作光电转换。由于晶体管基区的存储效应,延迟了关断时间;集电结电容使输出脉冲电流对输入端构成不良影响;特别是输入电路中的脉冲变压器,当半桥逆变电路工作时,开关电流在其初级绕组中产生振铃,其正峰值与基区存储的正电荷合力促使开关管延迟关断,或重复导通,这就造成“共态导通”,轻则开关损耗增大,三极管发烫,重则开机就进入二次击穿,而且任何保护电路对它都无能为力。
为此,研究开关管迅速导通、彻底关断的理想激励条件,设计由双极型晶体管构成的电子镇流器半桥逆变输入电路最佳方案很有必要。
2.1 开关三极管的基极驱动电路
图2-1
在半桥电路中,基极驱动电路分为电流驱动和电压驱动两种形式,其中电流驱动最为常用。
图2-1a是双极型晶体管的基本驱动电路,N1是脉冲变压器的驱动绕组,其匝数决定着驱动信号的大小。R1是基极限流电阻,增加R1的阻值可以减小三极管的基极驱动电流。在图2-1b中,R2是发射极串联反馈电阻,用来抑制三极管储存时间随温度增高而变化的速率。图2-1c是配合电阻偏置触发方式使用的一种驱动电路,增加的电容C1起隔离直流的作用。
开关三极管的基极驱动电流过大,会使存储时间增加,退出饱和状态的时间变长。但是,若驱动电流不足,则会增加渡越损耗,三极管的温升明显增加。
2.2 开关三极管的基极加速电路
由于基极驱动信号对三极管的工作状态有极大影响,为了改善开关特性,减小晶体管的损耗,通常会在三极管基极驱动回路上采取一些加速措施。
图2-2
图2-2a中,基极限流电阻上并联了一只开关二极管,当N1绕组变为上负下正时,快速吸收基极电流,缩短三极管Cbe的放电时间,达到减少存储时间的目的。
图2-2b中,三极管的基极与发射极之间反向并联一只开关二极管,可以加快导通速度,消除振铃电流。但是,由于R2的阻值较小,大部分反向电流会被D2吸收,这会降低三极管的截止速度。
图2-2c中,三极管基极与发射极之间接有一个由R3和D1组成的放电回路,其作用是在三极管截止期间,为N1上的反向感应电压提供一个快速放电通道。
图2-2d中,阻尼电阻R1、防振电容C2并联在开关管基极与地之间,R1的接入使C2有一个放电回路,增强阻尼消振作用。特别是在开关管关断时,R1对脉冲变压器的阻尼作用非常明显。另外,R1的接入使开关管Q1的Vcer值提高,大大提高了电子镇流器的可靠性。R1的阻值要求与开关管Q1的输入阻抗相近,一般取33~100Ω之间。该电路结构简单,工作可靠,是一种很实用的方案。
图2-2e中,基极限流电阻上并联了一只小容量电容,其作用是加速导通及截止的转换时间。在N1绕组向三极管施加正向驱动信号时,由于电容器对这种高频信号的阻抗很小,所以这时的驱动电流很大,三极管瞬间饱和导通。在N1绕组的正向驱动信号消失时,由于电容上存储有左负右正的峰值电压,基极电流被快速抽取,三极管迅速进入截止状态。
图2-2f中,三极管基极回路中串联一只小电容,利用电容两端的电压不能突变的原理,瞬间提供一个大的驱动电流,既加速导通,也加速关断。这种电路用在磁环驱动的电路中时,会把驱动信号的上升和下降过冲所引起的振铃电流也送入基极,这是很不利的。
图2-2g中,三极管基极回路中串联一只μH级的电感器和一只小电容,利用电感器的阻抗随频率增加的特点,去衰减高频振铃电流,同时又保持快通快断的特性。
图2-2h中,比较理想的设计是在开关管的基极和集电极之间串联、并联多个正向与反向二极管,构成“抗饱和电路”,例如“贝克尔箝位电路”。它消除了导通时的深饱和,达到了缩短存储时间的目的,同样也减小了反向激励电流。但是它需要3~4个快恢复二极管,电路结构复杂,所以在电子镇流器中至今极少被采用。
2.3 开关三极管的保护电路
图2-3
在半桥电路中,晶体三极管上呈现较高的电流变化率di/dt和电压变化率du/dt,由此引起的瞬态过电流和瞬态过电压脉冲尖峰对三极管的冲击相当大,如果瞬时能量超过晶体管的承受能力,三极管将会烧毁。
为了避免三极管烧毁,必须采取一些保护措施。在小功率半桥电路中,可以在三极管集电极与发射极之间并一只阻尼二极管,见图2-3(a)。当三极管的集电极电压变负时,旁路反向电流,将三极管的集电极峰值电压钳位到安全值,避免三极管反向击穿。续流二极管工作在高频状态,必须选用快恢复二极管才能快速开关,否则将起不到保护作用。











0 条评论
同学,该你发言了~