
1. 滑动开关调色温的原理
如下图所示,本文将主要介绍在单路LED驱动器输出端加装滑动开关进行色温调节的产品,通过编码开关和墙壁开关调色温的灯具另文说明。

从原理上说,滑动开关调节色温是通过重新配置不同色温的LED灯串的电流来实现的。滑动开关的不同档位具有不同的电流组合,进而对应不同的色温。一般来说,开关组合数越多,色温档位也越多,但同时也增加了电路的复杂性和成本。
下图是2CCT调节的原理图,滑动开关接通1-3和2-3触点时,两路LED灯串分别点亮,对应两种色温输出。

下图是3CCT调节的原理图,滑动开关在每个档位可以同时接通3个触点,当2-3-5触点接通时,两路LED灯串同时点亮,光线混合后就可以呈现中间色温的效果。

2. 滑动开关调节色温的特点
操作简单。消费者无需进行复杂的操作就可以完成色温设置,实现所需的照明效果。
稳定可靠。色温设置由硬件电路完成,不会出现程序错误或记忆丢失的问题。
成本低。相对于APP或遥控器调节色温,滑动开关的成本优势非常明显,在低单价的灯具中有很强的竞争优势。
节省备货成本。由于一个灯具可以覆盖多种色温,销售商的仓储压力大大降低。
重置困难。重新调节色温必须拆装一次灯具,相比其他调色温技术显得繁琐和困难。
3. 滑动开关调色温电路
通过对市面上部分灯具的拆解和分析,以及参考现有的技术资料,我们对滑动开关调色温电路进行了分类整理,供照明行业的技术人员参考。
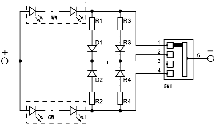
龙胜达照明的3CCT调色温电路如下图,单刀三掷开关的三个档位分别对应低、中、高色温。当触点2-4接通时,两个LED灯串均分电流,呈现中间色温的效果。其中D1、D2是隔离二极管,在高或低色温时,阻止另一串LED发光。

益明光电的3CCT电路也使用了单刀三掷开关,区别在于型号存在差异。

拓鑫光电的3CCT电路使用了一个联动的双刀3掷开关,不需要其他外围电路即可实现中间色温。

倍祺电子的3CCT电路使用一个双刀3档开关,在不使用隔离二极管的情况下,通过引脚间的巧妙连接,实现了中间色温输出。使用类似电路的还有江景照明和海兴科技,区别在于引脚间的接线有所差异。

启源电器的4CCT电路非常具有代表性,该电路使用限流电阻来调节两个灯串的电流比值,以此实现不同的色温,可以很方便的扩展更多色温档位。

谐振电子的4CCT电路使用一个双刀4掷开关,其中一个引脚作为两个LED灯串的公共输出端,通过限流电阻来调节中间的两路色温。

椒光照明的5CCT电路使用一个双掷的5刀开关,只需2个限流电阻,也可以实现5档色温的调节。

利嘉城电气的5CCT电路启源电器类似,同样使用不同的限流电阻来建立中间色温。

得邦照明的5CCT电路同样使用一个单刀5掷开关,通过设定两个LED灯串的压降来分配电流,比较方便的实现了5CCT调节。

佛山照明的5CCT电路比较复杂,使用了比较多的外围零件来实现CCT设定。

龙胜达照明的5CCT使用一个双刀5档开关,外围电路非常简洁。

伊戈尔照明的5CCT电路跳出了常规设计的束缚,增加了一路中间色温的LED灯串,在相当程度上可以对色容差进行修正,以符合人眼视觉感受。

嘉盛照明的5CCT电路同样使用了3路LED灯串,用一个双刀5掷开关搭配限流电阻,实现了比较精准的5CCT输出,特别适合阅览室、教室照明等应用场合。

最后登场的是民爆光电的5CCT电路,该电路创新性的将滑动开关插入LED灯串的中间,在没有光效损失的情况下,通过巧妙的档位组合,即可实现比较细腻的色温调节。



0 条评论
同学,该你发言了~